Inhoudsopgave
1. Samenvatting
2. Inleiding
3. Uitpakken
4. Specificatie
5. Rondje Moederbord
5.1. Aansluitingen achterplaat
5.2. Interne aansluitingen
5.2.1. CPU Socket
5.2.2. PCIe Uitbreidingssloten
5.2.3. Audio en frontpaneel
5.2.4. SATA
5.2.5. Voeding
5.2.6. USB
5.2.7. Ventilatoren
5.3. Bedieningsinterface
5.3.1. BIOS
5.3.2. Bios Batterijhouder
5.3.3. Power, Reset en CMOS Sneltoetsen
5.3.4. Audioversterking schakelaars
5.3.5. Voltage meetpunten
6. Hardware details
6.1. Aansluitingen
6.2. CPU VRM
6.3. Geheugen VRM
6.4. Andere VRM’s
6.5. Chipset- Platform Controller Hub (PCH)
6.6. PCIe controllers
6.7. SATA-interface
6.8. USB Interface
6.9. Super I/O Sensor IC’s
6.10. BIOS
6.11. Ventilatoraansturing en aansluitingen
6.12. Netwerk
6.13. Audio
6.14. On Board graphics
7. UEFI BIOS
7.1. Gebruikersinterface UEFI BIOS
7.2. Startup mode
7.3. Classic mode
7.4. Smart Tweak HD-mode
8. Performancemetingen
9. Software
9.1. Smart recovery 2
9.2. V-tuner
9.3. @Bios
9.4. Cloud Station
9.5. Autogreen
9.6. Fast Boot
9.7. Killer Network Manager
9.8. Sound Blaster Recon3D Control Panel
10. Conclusie
1. Samenvatting

Let op, Dit is geen review over een moederbord met de Intel Zx70 chipset, maar nog eentje met de Z97 chipset. Het bord is op de valreep nog te koop, maar is al wel een uitloopmodel. Veel argumenten om nu nog een Z97 bord te kopen zijn er niet. Haswell laat zich lastiger overklokken en de Z97 chipset ondersteund maar 8 PCIe (2.0) lanes. Maar je zal maar net nog een Haswell i7 of i5 hebben liggen, dan is een dergelijk bord misschien nog voor een zachter prijsje op de kop te tikken. Hiermee heb je dan een bord met eerste klas hardware.
2. Inleiding 
De Gaming G1 zal voor velen in 2015 niet de meest logische optie zijn geweest. Het bord heeft namelijk best een prijskaartje, voor veel minder zijn goede game-moederborden te krijgen, ook van Gigabyte. Toch krijg je veel bord voor je geld, als je hetgeen wat je krijgt kan waarderen. De feature set is namelijk heel goed.
Dit bord bevindt zich al aan de achterkant van zijn levensduur… Ik weet het, ik review gewoon te langzaam. Op zijn best kan de review als referentiekader dienen voor toekomstige producten of voor tweedehands kopers.
De Gaming G1 is Gigabytes topmodel voor de Z97 Chipset. Gigabyte heeft voor gamers een complete serie uitgebracht met borden als de
pricewatch: Gigabyte GA-Z97X-Gaming 3, de
pricewatch: Gigabyte GA-Z97X-Gaming et 5, de
pricewatch: Gigabyte GA-Z97X-Gaming 7, en de
pricewatch: Gigabyte GA-Z97X-Gaming GT. De Intel 97 chipset moederborden zijn zachtjesaan vervangen door de Intel 170 en 270 chipset moederborden.
Waarom zo’n duur bord? Om eerlijk te zijn is mijn argumentatie hiervoor niet stevig. In de tweakers fora zou een dergelijke keuze worden afgefakkeld met argumenten als te duur, heb je niet nodig, etc. etc. Argumenten die ik ervoor heb zijn:
- Ik wilde naast gamen in staat zijn om over te klokken en wilde daarom een solide VRM-circuit.
- Heb een antipathie tegen Qualcomm netwerkproducten.
- Wil op het moederbord een goed sound circuit om een geluidskaart uit te kunnen sparen.
- Heb eerder een bescheiden Gigabyte moederbord gereviewed, was nu weleens benieuwd naar een bovenklasse bord.
3. Uitpakken 
Aan de verpakking van het moederbord is veel aandacht besteed. De doos heeft een bovenzijde die als een klep is open te klappen, met op de achterzijde meer detailinformatie.
Op de achterzijde van de doos zijn de hoofdfuncties opgesomd in een isometrische foto. In de doos bevindt zich een kartonnen cassette.
Wordt de deksel van de cassette geopend dan bevindt zich hierin een tweede cassette die het moederbord zelf bevat.
Bij het bord worden de volgende spullen geleverd:
- Manual (moederbord specifiek) met franstalige toevoeging
- Algemene bouw manual (verouderd en te generiek)
- Driver en software CD
- I/O Achterplaat met kleurenprint
- 6 SATA-kabels, 3 met beide connectoren recht, 3 met een geknikte connector
- Twee weg SLI-brug
- Drie weg SLI-brug
- Vier weg SLI-brug
- Twee weg Crossfire-Brug
4. Specificatie
5. Rondje Moederbord 
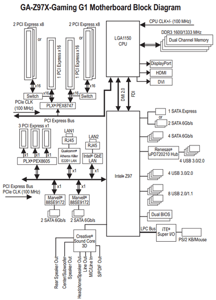
Dit bord is behoorlijk volgepakt met functies. Allereerst maar eens een globaal rondje zodat we de weg op het bord weten. Direct hieronder een overzicht met de features met daaronder een beschrijvende tekst. Een structuurschema toont verder hoe alle functionaliteit globaal aan elkaar hangt.
5.1. Aansluitingen achterplaat

Kijken we tegen de achterkant van het moederbord aan dan zien we in totaal 6 blokken met aansluitingen. Het meest linkse blok heeft 2 USB 2.0 poorten en een gecombineerde PS/2 muis/toetsenbord aansluiting. Het tweede blok van links heeft een DVI-I-poort gecertificeerd voor een output van 1920x1080 op 60 Hz en een Displaypoort die maximaal 4096x2160 op 24Hz of 3840x2160 op 60Hz aan kan. Het derde blok heeft twee USB 3.0 poorten en een HDMI-poort De HDMI-poort ondersteunt resoluties als 4096x2160 op 24Hz of 2560x1600 op 60Hz, is HDCP-compliant en ondersteunt als geluidsconventies Dolby True HD en DTS HD. Het vierde en het vijfde blok hebben ieder twee extra USB 3.0 poorten en een Gigabit LAN-poort. Het zesde blok van links uiteindelijk bevat de analoge geluidsaansluitingen (Line-in, Line-out, center/subwoofer speaker out, achter speaker out, koptelefoon/speaker out) en een S/PDIF-aansluiting.
5.2. Interne aansluitingen

Beschouw het moederbord even zo georiënteerd als dat het in een verticale tower behuizing gemonteerd zou zijn, met een onder- en bovenrand, een voor- en achterrand. Aan de onderrand bevindt zich meestal de voeding, aan de achterrand de achterwand van de behuizing met uitgangen voor de expansiesloten en systeemventilator. De bovenrand kijkt naar het dak van de behuizing, met soms wat ventilatoren. Aan voorrand grenst ruimte voor de 3,5”, 2,5” en evt. 5 ¼” drives.
5.2.1. CPU Socket

Boven het midden bevindt zich de LGA1150 CPU-socket geschikt voor een vierde of vijfde (Haswell, Broadwell) generatie Core i7, i5, i3, Celeron of Pentium processor.
5.2.2. Geheugen
Voor de processor, op dezelfde hoogte als de processor zelf bevinden zich de vier DDR3 DIMM geheugenbanken. Deze ondersteunen tot in totaal 32 GB aan (non ECC) geheugen van 1600 of 1333 MHz. Het automatisch herkennen van geheugenmodules die zich conformeren aan de Extreme Memory Profile conventie wordt ook ondersteund.
5.2.3. PCIe uitbreidingssloten

Onder de CPU-socket en de achterplaataansluitingen bevat het moederbord een aardige lading PCIe uitbreidingssloten. Van boven naar beneden PCIeX16, PCIeX1, PCIeX8, PCIeX1, PCIeX16, PCIeX1 en PCIeX8. De PCIeX16 en PCIeX8 sloten hebben hierbij alle de PCIeX16 vorm factor. Het is dus wel even opletten welke van de sloten je gebruikt. Van boven naar beneden hebben alleen het eerste en het derde lange slot de X16 ondersteuning. Met de 4 lange PCIe sloten zijn de volgende configuraties mogelijk:
- 1 maal PCIeX16 (PCIeX16-1 in X16 modus)
- 2 maal PCIeX16 (PCIeX16-1 + PCIeX16-2, beiden in X16 modus)
- 4 maal PCIeX8 (PCIeX16-1 + PCIeX16-2 + PCIeX8-1 + PCIeX18-2 allen in X8 modus)
Er zijn op het bovenstaande thema nog wel varianten te bedenken. Bijvoorbeeld het combineren van een kaart in een PCIeX16 slot met twee andere kaarten ieder op PCIeX8 snelheid. Over wat de meest optimale combinaties zijn van het grafische kaart type en de vereiste bandbreedte durf ik door gebrek aan eigen ervaring geen uitspraken te doen.
De Gaming G1 is een van de weinige Z97 borden die de 2x X16 modus kunnen aanbieden, zij het dat dit kan met de gratie van de PLX Duplexers of switches die op het bord zijn geplaatst.
5.2.5. Audio en frontpaneel

In de ATX-traditie zijn aan de onderrand van het moederbord allerlei aansluitingen geplaatst. Extreem aan de achterzijde bevindt zich op deze onderrand de audio aansluiting en extreem aan de voorzijde aan de onderrand zijn de andere frontpaneel aansluitingen voor de powerknop, de resetknop, het pc-aan lampje, het harddisk lampje, de aansluiting voor de kast open sensor, de pc-speaker aansluiting te vinden.
5.2.5. SATA

Aan de voorrand van het moederbord zijn van links naar rechts eerst vier blokken met SATA3 connectoren te vinden. De meest linkse twee blokken zijn de zeven aansluitingen die bedraad zijn naar de Z97 chipset zelf. Het is verstandig eerst deze aansluitingen te gebruiken voordat de 4 aansluitingen in de twee extra blokken worden gebruikt. Deze extra aansluitingen in blok 3 en 4 worden gestuurd door twee Marvell 88SE9172 IC’s.
In het tweede blok zijn in totaal vijf aansluitingen verwerkt. Twee kolommen van twee aansluitingen rechts en een enkele kleinere aansluiting linksonder. Deze linker aansluiting vormt met de twee onderste aansluitingen uit de andere kolommen een SATA Express aansluiting.
5.2.6. Voeding

Rechts van de cluster Sata3 aansluitingen, midden op het bord, bevindt zich een horizontale ATX4P aansluiting voor een SATA-voedingsconnector waarmee ook hard disks of SSD’s worden gevoed. Deze ATX4P aansluiting dient als ondersteunende voeding voor de PCIe x16 sloten. Gigabyte beveelt aan om bij de installatie van 2 of meer grafische kaarten deze aansluiting van voeding te voorzien om jezelf te verzekeren van een stabiel systeem. De aansluiting moet dus als een soort waarborg worden gezien.
Rechts van de ATX4P voedingsconnector bevindt zich de 24pin-hoofdvoedingsaansluiting. Aan de bovenrand van het moederbord, meer naar achteren georiënteerd, bevindt zich de 8pin-CPU-voedingsaansluiting. Gigabyte heeft (verstandig!) het gebruik van deze aansluiting fool proof gemaakt. Is de aansluiting niet van voeding voorzien, vertikt de computer het om op te starten.
5.2.7. USB

Iets achter het midden van de onderrand zijn drie 3 USB 2.0 aansluitingen geplaatst. Midden bij de voorrand, achter de ATX4P voedingsaansluiting, is de interne 20-polige USB 3.0 aansluiting geplaatst. Deze kan twee USB 3.0 poorten in bijvoorbeeld het frontpanel van je kast aansluiten.
5.2.8. Ventilatoren

Aan weerszijden van de groep USB 2.0 aansluitingen bij de onderrand zijn twee groepjes van 2 aansluitingen voor systeemventilatoren geplaatst. Bij de achterrand, geplaatst
voor de achterplaat aansluitingen is nog een vijfde aansluiting voor een systeemventilator geplaatst. Tussen de CPU-socket en de geheugenbanken in zijn een tweetal ventilatoraansluitingen voor een systeemventilator en een optionele 2e ventilator geplaatst, handig voor wanneer je een koeler met twee ventilatoren wilt installeren. Alle 7 genoemde aansluitingen zijn 4-polig en kunnen een ventilator met een PWM regeling aansturen.
5.3. Bedieningsinterface

Wat kan de gebruiker aan het bord bedienen, en welke signalen geeft het bord aan de gebruiker terug?
5.3.1. BIOS

Om de Dual Bios op het bord zonder tussenkomst van software te kunnen bedienen is het bord met 2 schakelaars en twee LED’s uitgevoerd.
De schakelaars bevinden zich naast elkaar bij de onderrand,
voor de drie USB 2.0 aansluitingen. De voorste (meest rechtse) SB (Single Bios) knop regelt of het Bord met Dual Bios of Single Bios werkt. De achterste (meest linkse) Bios-SW-knop bepaalt in een Dual Bios of het bord gebruik maakt van het main-Bios of van het Backup-Bios.
De beide LED’s bevinden zich onder elkaar
voor het onderste PCIeX1 slot, tussen de voorzijdes van de onderste twee PCIE sloten met de PCIeX16 form factor. Het bovenste LED, het BBIOS_LED, brandt als het [B]ackup bios actief is. Het onderste MBIOS-LED brandt bij een actief [M]ain bios.
5.3.2. Bios Batterijhouder

Ehmm, moet ik over iets dufs als de Bios batterij in de review nog woorden vuil maken? Graag had ik het ding vervangen zien worden door een dikke condensator of kleine accu. Electrotechnici kunnen mij vast uitleggen waarom het “uitermate onverstandig” is om de Bios batterij af te voeren. Vooralsnog zitten we op ieder moederbord nog met het ding opgescheept.
De hamvraag is vervolgens, bevindt de houder zich op een handige plek? Verzachtende omstandigheid bij dit bord is dat het zo bomvol met features is dat het nog een klein wonder is dat een plek is gevonden. De houder bevindt zich tussen het tweede PCIeX16 slot en het tweede PCEeX8 slot. Of anders gezegd, tussen het derde en vierde slot van boven met de X16 form factor. Geen slechte plek naar mijn idee. Het is wat minder waarschijnlijk dat het bord tot het vierde X16 slot wordt volgeplaatst met expansiekaarten. Van het derde X16 slot heeft de gebruiker trouwens het meeste last om bij de batterij te komen. Of natuurlijk als het tussenliggende PCIeX1 slot (PCIeX1_3) wordt gebruikt.
5.3.3. Power, Reset en CMOS sneltoetsen

Om het bord buiten een behuizing te kunnen gebruiken heeft het bord een drietal sneltoetsen. De functie van de Power en Reset spreken hierbij voor zich, ze zijn snel te benaderen wanneer het bord getest wordt. Met de derde knop, de CMOS-knop is het bios geheugen te resetten en terug te brengen naar de fabrieksinstellingen.
5.3.4. Audioversterking schakelaars

Het linker en rechter kanaal van de koptelefoon/speaker out aansluiting hebben ieder een eigen schakelaar die tussen een versterkingsfactor van 2.5x of 6x kan schakelen. Afhankelijk van het type koptelefoon is de juiste waarde in te stellen…. wel beide kanalen gelijk instellen lijkt mij. Dit deed mij afvragen waarom er niet gewoon een enkele schakelaar van is gemaakt.
5.3.5. Voltage meetpunten

Gigabyte voorziet op het bord een achttal meetpunten om actuele voltages met een multimeter te meten. Zo zijn de VRIN-, VIOD-, VSA-, VAXG-, VIOA-, VRING-, VDIMM- en VCORE-voltages te meten. Ieder voltage heeft op het moederbord zijn eigen veldje met een tweetal meetpunten. Het ene punt (gebiedje 1) is voor het te meten voltage, het andere (gebiedje 0) voor de aarde.
Voor mensen onervaren met multimeters, stel de multimeter in op het te verwachten voltagebereik, druk de rode meetpin tegen gebiedje 1 en de zwarte meetpin tegen het gebiedje 0.
6. Hardware details

Onderstaand hoofdstuk is mogelijk interessant voor mensen met belangstelling voor welke hardware oplossingen op het bord zijn verwerkt. Diegene die niet zo in detail wil gaan raad ik aan dit hoofdstuk over te slaan.
Van veel oplossingen is geen nadere informatie te vinden. Denk hierbij vooral aan de energievoorziening van alle componenten op het moederbord. Op het overzicht hieronder is goed te zien wat allemaal tot die energievoorziening zal behoren. Wat precies wat voedt is hierbij een tweede. In de regel zal energievoorziening dicht bij het te voeden deelcircuit worden geplaatst. We kunnen daar alleen niet op blindvaren. Het overzicht geeft wel mooi weer hoeveel componenten op het moederbord betrokken zijn bij die energievoorziening. De donkergele en lichtblauwe componenten moet je volgens mij tot deze groep rekenen.
6.1. Aansluitingen

Van de aansluitingen bij de achterplaat zijn de aansluitingen voor display en audio met goud geplateerd, om het spook van de haperende signaaloverdracht te pareren.
6.2. CPU VRM
Op de CPU VRM en de PCH + PCIe duplexer zijn mooi ogende koelblokken gemonteerd met voldoende massa om warmte weg te werken. Dit laatste geldt het meest voor de CPU-VRM blokken, en het minst voor het PCH koelblok.
Om iets meer over de onderliggende details te kunnen zeggen zijn de koelblokken los genomen. Het zelf verwijderen van koelblokken is niet verstandig, en formeel vervalt dan de garantie op het moederbord. Ook heb je nieuwe geleidende koeltape nodig voor de CPU VRM en koelpasta zonder metaaldeeltjes voor de PCH en PCIe duplexer. Denk dus 3 keer na voordat je die dingen los haalt.


De koelblokken van de CPU VRM zijn met elkaar verbonden met een pijp. Of deze de status van heat pipe kan dragen is voor mij de vraag. Op zich worden horizontale heat pipes ook in laptops wel gebruikt. Door een betere scheiding van vloeistof en damp verwacht ik dat heat pipes met een verticaal gedeelte beter functioneren. Ook het koelblok van het dikke PLX IC (de PCIe duplexer) is verbonden met het blok van de PCH. Wat mij is opgevallen is dat die PCIe duplexer echt heet wordt. Indirect zal die warmte nu naar het blok van de PCH worden afgevoerd. Dit kan de PCH dus meer opwarmen dan ze door eigen activiteit zal doen. Het PCH-blok wordt in de regel wel minder warm dan dat PLX-blok. Die laatste bestempel ik daarom tot heethoofd van dit moederbord.
Rond de CPU-socket is de Voltage Regel Module (VRM) van de processor te herkennen in een groep van een achttal grijze blokjes. Deze blokjes zijn ingepakte smoorspoelen. In de regel vertegenwoordigd iedere smoorspoel een fase van de VRM. Dit moederbord zou dus in totaal acht fasen hebben.
Tussen de smoorspoelen en de Processorvoet in zijn de uitgangscondensatoren te zien. Aan de andere zijde van de smoorspoelen, om de smoorspoelen heen, zijn de MOSFETs te zien met daar weer omheen de ingangscondensatoren. Hieronder loop ik de componenten even na om te zien waartoe ze in staat zijn.
De VRM is in essentie een meerfasige DC-DC-omvormer (Buck Converter) waarbij het voltage wordt verlaagd, en de stroomsterkte wordt verhoogd. Een Buck Converter bestaat uit een voeding (ingangscondensatoren), een control schakelaar, een sync schakelaar, een smoorspoel en een uitgangscondensator. De control en sync schakelaar zijn in ons geval MOSFETs die worden aangestuurd door een MOSFET-controller en bijbehorende drivers.
Mosfetcontroller en drivers
Om een globaal beeld te krijgen van de opzet van de VRM is het handig om eerst naar de Mosfetcontroller te kijken. Op dit bord is een International Rectifier
IR3580 te vinden. In het jargon heet dit ding Single Output Digital Multi-Phase controller. Deze IR3580 stuurt de MOSFETs niet direct aan, maar indirect, via IR3598 dubbele MOSFET drivers.
IR3598 kan als fase dubbelaar werken, maar ook gewoon in dual mode, als dubbele fase driver.
Als fase dubbelaar krijgt
IR3598 aan zijn ingang de control puls van een enkele fase, maar stuurt zelf wel twee fases aan. Als fase dubbelaar wordt IR3598 op twee manieren ingezet:
- IR3598 halveert voor iedere uitgangfase de pulsfrequentie en laat de pulsstroom van beide uitgangsfases op elkaar aansluiten. Beide uitgangsfase vertegenwoordigen samen dus geen grotere frequentie dan een enkele fase die direct, zonder dubbelaar, op de Mosfet controller is aangesloten. Op het bord zijn dan wel 8 fases te zien, die effectief dan slechts een pulsfrequentie equivalent aan dat van een 4-fasige voeding oplevert, met de bijbehorende rimpel.
- Beide uitgangsfases van IR3598 worden gelijk aangevuurd, maar dan wel ieder met een gehalveerde belasting. Ook in deze situatie vindt dus geen verdubbeling van de pulsfrequentie plaats en doen twee fases wat anders door een fase zou zijn gedaan.
Wat is dan het voordeel? De kracht van 8 fases is nu juist dat de rimpel in de uitgangsspanning wordt verkleind. Bij fase verdubbeling wordt dus een uitgangssignaal door 4 fases opgebouwd behouden, maar dan wel verdeeld over acht fysieke fases. Logisch voordeel is dat iedere fase minder stress ondervindt bij het in standhouden van het signaal. Moet een burst geleverd worden, dan wordt voorkomen dat de fases minder heet worden omdat ze of door de grotere interval of door een lagere belasting minder worden aangesproken.
Het bovenstaande was meer voor het kader over de IR3598. In dit moederbord zal de IR3598 meer gebruikt worden in haar dual mode, waarbij ze eigenlijk twee enkelvoudige MOSFET-drivers representeert. Geen gedoe met dubbelaars dus. Een op een worden de fases dus aan de uitgangen van de IR3580 controller gehangen. Om de acht fases aan te sturen zijn dus een IR3580 controller en vier IR3598 drivers gebruikt.
MOSFETs
Voor de processorvoeding zijn alle MOSFETs van het type
SiRA12DP N-Channel 30-V (D-S) MOSFET, ID = 25A). Dus zowel de high side als de low side MOSFETs zijn met dit MOSFET-type uitgevoerd. Voor een meer uitgebreide uitleg over het samenwerken van deze MOSFETs in een buck converter verwijs ik graag naar deze review: (
productreview: Gigabyte F2A88XM-D3H review door teacup). Hierbij is dus duidelijk een soort standaardisatie uitgevoerd. In een ander eenvoudig AMD bord, zie net genoemde review, heb ik deze MOSFETs ook al aangetroffen. Uit internetbronnen heb ik trouwens wel begrepen dat dit MOSFET-type een soort basismaterieel is.
Ingangscondenstoren
De ingangscondensatoren staan om de MOSFETs heen gegroepeerd. De ingangscondensatoren zijn geschikt voor een voltage tot 16V en hebben een capaciteit van 270 µF ieder. In totaal zie ik 4 van deze ingangscondensatoren rond de VRM gegroepeerd. Samen vertegenwoordigen ze dus een lading van 1080 µF Deze
condensatoren hebben we een constante toevoer (voeding PC) maar hebben met een wisselende afvoer te maken door het schakelen van de fases die op hun beurt een constante lage spanning en hoge stroomsterkte moeten produceren.
Smoorspoelen
De packages van de smoorspoelen heten in het jargon DIP-Molding power chokes, met twee pinnen die door gaten in het moederbord worden geprikt en worden vast gesoldeerd. Opnieuw lukte het mij niet om de fabrikant van die dingen vast te pinnen. Ook zie ik een trend dat steeds meer chokes als een van de laatste categorieën nu vooral als SMD (surface mounted devices) worden uitgevoerd. SMD-componenten zijn eenvoudiger met pick and place robots te assembleren en maken dus de productie van moederborden goedkoper. Welke reden Gigabyte heeft om voor deze duurdere DIP-Molding oplossing te kiezen weet ik niet.
Iedere fase krijgt zijn eigen smoorspoel toebedeeld. Door de indicatie op de componenten (R50) weten we dat ze een zelfinductiewaarde van 0.5µH hebben. Gigabyte zegt zelf niets expliciet over deze smoorspoelen. Waarschijnlijk is om aan te nemen dat deze smoorspoelen een ferrietkern hebben.
Uitgangscondenstoren
De uitgangscondensatoren zijn tussen de processorvoet en de smoorspoelen te vinden. In totaal zijn er 8
uitgangscondensatoren, een voor iedere fase. Deze condensatoren hebben ieder een capaciteit van 560µF en kunnen een voltage tot 6.3V aan. Dit is ruim bemeten als je bedenkt dat het benodigde voltage voor de processor veelal tussen de 08 Volt en de 1.55Volt ligt. In totaal is hun verzamelde capaciteit dus 4480 µF.
6.3. Geheugen VRM
Mosfetcontroller en drivers
De controller voor de geheugen voeding is een International Rectifier
IR3570A. Deze controller heeft 5 uitgangen in een 3+2 fase configuratie.
Naar de indeling van het bord kijkende, met twee high side MOSFETs en 2 low side MOSFETs, en een IR3598 die naar verwachting in dual phase driver mode wordt gebruikt zal de IR3570A in dit geval in een 1+1 configuratie worden gebruikt.
MOSFETS
Voor zowel de high side als de low side MOSFETs van de geheugenvoeding zijn
SIRA18DP MOSFETs gebruikt. Net als de bij de CPU gebruikte SIRA12DP MOSFETs zijn dit N-Channel 30 V (D-S) MOSFETs. De SIRA18DP kan met Id=33A een iets hogere Drain Current aan dan de SIRA12DP.
Smoorspoelen
Als smoorspoelen zijn 1R2 (met een zelfinductiewaarde van 1.2 µH) gebruikt.
In- en Uitgangscondensatoren
Zowel de
in- als de uitgangscondensatoren hebben ieder een capaciteit van 560µF bij een voltage tot 6.3V.
Als terminator is tenslotte een Richtek
RT9173D Sink/Source Bus Termination Regulator gebruikt.
6.4. Andere VRM’s
PEX8747
De PEX8747 (het eerder genoemde heethoofd) wordt afzonderlijk gevoed door een Richtek
RT8120D. De RT8120D is een Single-Phase Synchronous Buck PWM Controller. De PEX8747 krijgt deze onverdeelde voedingsaandacht omdat ze nogal gulzig kan zijn. De RT8120D wordt hierbij geflankeerd door een tweetal SIRA18DP MOSFETs.
De rol van Ingangscondensator dicht ik toe aan de enkele 16V/270µF condensator.
Als uitgangcondensatoren fungeren naar mijn verwachting de 6,3V/560µF condensatoren tussen de PEX8747 en de RT8120D.
PCH VRM(?)
Een andere VRM is onder de geheugenbanken, tussen de PCH en de geheugenbanken, te vinden. Normaliter heeft een VRM op deze plek de rol om de chipset van voeding te voorzien. Ze lijkt te bestaan uit een drietal SIRA18DP MOSFETs en een AS324M-G1 met vier Low Power OpAmps. Hoe en of deze met elkaar samenwerken is voor mij gissen. De drie 560µF/6.3V condensatoren zullen de rol van in- en uitgangscondensatoren hebben. De drie MOSFETs zullen wel opgedeeld raken in 1 low side mosfet en 2 high side MOSFETs. Raadsels voor mij zijn welk signaal de MOSFETs voedt, en wat de rol van de AS324M-G1 precies is. Met wat ik heb gevonden lijkt de
AS324M-G1 niet als voedingscircuit voor de MOSFETs te dienen, het zou daar te traag voor zijn. Een mogelijke rol voor AS324M-G1 is die van stroombegrenzer van de output uit de MOSFETs. Maar dan rest nog steeds het raadsel wat de MOSFETs voedt. Mijn interpretatie blijft wat dat betreft maar een schot voor de boeg.
6.5. Chipset- Platform Controller Hub (PCH)

Hieronder de Z97 chipset (PCH) ontdaan van zijn koellichaam.
6.6. PCIe controllers

De twee PCIe switches of duplexers, PEX8605 en PEX8747, regelen het dataverkeer van de PCIe sloten naar de CPU en de Platform Controller Hub (PCH).
De belangrijkste, de
PEX8747 koppelt de 2 x PCIeX16 en 2 x PCIeX8 sloten met de CPU. Hierbij moet de PEX8747 de in totaal 2x16 of 4x8 = 32 Lanes koppelen met de maximaal 16 Lanes die de in mijn geval
Intel Core i5-4690K kan verwerken. Deze PCIe lanes functioneren volgens de PCI Express 3.0 standaard.
De kleinere switch, de
PEX8605 koppelt de drie PCIeX1 sloten, die zich tussen de grote PCIeX16 en PCIeX8 sloten bevinden, met de PCG. Ieder van die sloten heeft hierbij 1 PCIE lane tot zijn beschikking. De PEX8605 heeft dus toegang tot 3 PCIE lanes. Deze PCIe lanes functioneren volgens de PCI Express 2.0 standaard.
Tussen de PCIE sloten bevinden zich meerdere Asmedia ASM1480 IC’s. Deze IC’s hebben de rol van switch tussen 8 en 16 lane mode voor de PCIe sloten afhankelijk van hun gebruik.
6.7. SATA-interface

De beide Marvell 88SE9172 controllers die 4 van de 10 SATA 6Gb/s aansluitingen verzorgen zijn ieder aan een PCIe 2.0 lane van de PCH gehangen. De andere 6 aansluitingen hangen direct aan de SATA-interface van de PCH.
2 van deze PCH SATA-aansluitingen kunnen dus worden samengebald tot een SATA express aansluiting. Door dit laatste interpreteer ik dat dit moederbord een vroeg ontwerp is, ontworpen in de tijd dat het nog geen uitgemaakte zaak was of SATA express, of (PCIe) M.2 als alternatief voor standaard SATA zou opkomen.
Ik denk dat we nu wel kunnen zeggen dat M.2 in populariteit SATA express heeft overstegen. In dit licht heeft Gigabyte met het ontwerp van dit bord met SATA express misschien een verkeerde keuze gedaan. Wat schetst mijn verbazing om te zien dat Gigabyte nog steeds SATA expres implementeert in haar Z170 borden.
Om goed te functioneren lijkt de SATA express aansluiting zowel twee SATA-verbindingen te claimen als 2 PCIe 1x lanes. Vooral van de PCIe 1x lanes is mij niet duidelijk hoe die precies worden opgeëist. Worden ze pas gemobiliseerd zodra een PCIe SSD (voor zover die bestaan) aan de SATA express wordt gehangen? Of geldt de claim voortdurend, door de aanwezigheid van het SATA express. Gezien de drukbezette PCIe lanes hoop ik het laatste.
6.8. USB Interface
Vier van de in totaal 8 beschikbare USB 3.0 aansluitingen worden verzorgd door de Renesas uPD720210 hub. Via deze
Renesas hub (preliminary datasheet) zijn de poorten direct gekoppeld aan de PCH-controller. Gezien de situering dicht bij de twee onderste USB 3.0 connectieblokken (met de LAN-poorten onderin) neem ik aan dat deze vier poorten naar de Renesas worden bedraad. Bedenk wat de essentie is van de hub.
Standaard kunnen op een z97 chipset (PCH) 6 USB 3.0 poorten worden aangesloten. Vier poorten zijn direct aan de chipset gekoppeld. Slechts één van de resterende twee USB 3.0 poorten van de PCH-controller wordt doorgelust met de vier aansluitingen op de achterplaat. Consequentie hiervan is dat wanneer alle vier de aansluitingen gelijk in gebruik zouden zijn er geen USB3.0 bandbreedte beschikbaar is. Hierdoor kom ik trouwens ook tot de conclusie dat 1 PCH-aansluiting ongebruikt blijft (?!?!).
6.9. Super I/O Sensor IC’s


Op het moederbord zijn een tweetal Super I/O sensor IC’s te vinden, de ITE IT8620E en de ITE IT8790E. Deze Super I/O chip worden ook wel Embedded controller genoemd, omdat ze onder anderen de status van randapparatuur bijhoudt. Beide IC’s zijn van ITE Tech. IC’s van ITE treffen we op veel moederborden aan. De IT8620E controleert verschillende belangrijke parameters op het moederbord, zoals de voltages van de voedingslijnen, ventilatorsnelheden en temperaturen (moederbord). Bijzonder aan de IT8620E is dat het een custom chip is die ITE voor Gigabyte heeft gemaakt, waardoor er geen datasheet voor beschikbaar is. De chip is niet moederbord specifiek, ook in een ander Gigabyte bord dat ik heb gereviewed, een AMD bord heb ik de chip teruggezien. Het lijkt er dus op dat de wijze waarop Gigabyte deze functionaliteit afdekt over alle Gigabyte borden gelijk wordt opgelost. Omdat een complex bord meer functionaliteit bezit dan een eenvoudig bord heeft Gigabyte voor dit G1 bord ook nog de ITE IT8790E nodig. Broninformatie van deze custom chips is eigenlijk niet te vinden. Wel is bekend dat zowel
HardwareInfo als
Speedfan stellen dat de IT8620E grotendeels (hardware monitoring) compatibel moeten zijn met de IT8728F, alleen de ventilatoraansturing zou afwijken.
6.10. BIOS
In total zijn er drie BIOS-geheugens van het type Macronix Serial NOR Flash op het moederbord te vinden. Twee gelijke IC’s MXIC MX 25L12873F M2I-10G zijn bedoeld voor het Main-Bios en het Backup-Bios van het moederbord zelf.
Een derde BIOS-geheugen, MXIC MX 25L4006E M2I-12G is bedoeld voor de super I/O sensor IC’s.
De identificatie van de BIOS-geheugens komt als volgt tot stand:
Hieruit kunnen we leren dat beide typen op 3V werken, en dat beiden in de vorm van een SOP-8 (Small Outline Package) geleverd worden. De temperatuursrange waarbinnen de IC’s kunnen functioneren loopt van -40°C tot 85°C. De moederbord geheugens zijn 128MB groot, en het Super I/O BIOS is 4MB groot. Hierbij verschillen de snelheden ook nog iets. De moederbord BIOS chips communiceren op 104-108 MHz, het super I/O BIOS op 80-86 MHz Uit de modes (Single-in, Dual-out, MXSMIO-Multi I/O) krijg ik de indruk dat met het moederbord BIOS meer - en parallel - gecommuniceerd wordt, en dat de communicatie naar het Multi I/O BIOS beperkter is (logisch als die communicatie alleen vanuit het Multi I/O IC gebeurt).
6.11. Ventilatoraansturing en aansluitingen
CPU FAN en CPU OPT
De CPU FAN en CPU OPT maken gebruik van een
NuvoTon 3941S-A (407GA) als ventilator aansturing. Deze lijkt op zijn beurt zijn voeding te krijgen van een Niko Semiconductor
L1085DG lineaire regelaar.
SYS FAN1, FAN2 en FAN3, FAN4 en SYS FAN5
Ook de andere ventilatoren worden aangestuurd door dezelfde NuvoTon 3941S-A (407GA) ventilator aansturingschips
6.12. Netwerk

Intel ga ik op het gebied van netwerk niet heilig verklaren, het merk heeft tegenwoordig draadloze netwerkcircuits die je zal gaan ruilen voor betere. Voor een gewone LAN-aansluiting zweer ik bij Intel. Niet eens zozeer vanwege de circuits zelf maar vanwege de goede driver ondersteuning vanuit het OS zelf. Dit laatste is alleen mogelijk als het merk dat de NIC levert een eenduidige en transparantie driverhuishouding heeft. Misschien heeft Qualcomm zijn leven inmiddels gebeterd, maar met haar business to business producten zijn klanten afhankelijk van de OEM voor hun driverondersteuning. Eindgebruikers hebben door het indirecte pad via de OEM moeite om de precieze identiteit van hun hardware vast te stellen.
Dit bord heeft als ultimatum zowel een Qualcomm® Atheros Killer E2201 chip (10/100/1000 Mbit) (LAN1) als eerste LAN en een Intel® I217-V (10/100/1000 Mbit) als tweede LAN-poort (LAN2).
Ik gebruik het woord ultimatum omdat Gigabyte tracht iedereen met de twee aansluitingen tevreden te houden en tegelijkertijd bijna iedereen te veel te laten betalen voor de basisfunctionaliteit die de GB LAN poort op een moederbord eigenlijk is. Bovendien zijn beide Gigabit LAN-poorten ieder via 1 PCIe 2.0 lane aan het PCH gekoppeld. Het enige voordeel dat deze twee poorten nog zouden hebben is als ze zijn te pairen. Gigabyte vermeldt in haar manual echter al dat dit niet ondersteund wordt. De doelgroep die het lokale netwerk erop uitgelegd heeft zal trouwens klein zijn. Misschien dat de tweede poort nog als backup van de eerste poort kan fungeren, zodat de twee netwerkpoorten levensduur verlengend kunnen werken voor het moederbord.
6.13. Audio

Dat een discrete geluidskaart niet meer nodig is zal ik hier niet gaan beweren. Voor mensen die muziek via hun computer willen afspelen luistert geluid best nauw en zeker bij het afspelen van kwalitatief goede Cd-tracks, met name klassieke muziek, zal de vereiste dynamiek moeilijk in een moederbord geluidscircuit zijn te vinden. Zoek je geluid voor het gamen of voor het afspelen van MP3-bestanden of van gestreamde muziek (ook gecomprimeerd) dan is de kwaliteit van het circuit wat minder kritisch.
Dit moederbord pakt flink uit met een Creative Sound Quad Core 3D Audio processor met een goud geplateerd EMI (elektromagnetische interferentie) schild, high end audio condensatoren, een vervangbare OPAMP (Operational Amplifier) op een socket en goud geplateerde audio aansluitingen op de achterplaat. Merk op dat geluidsprocessing is ontkoppeld van het versterken van het geluid. Of de geluidsprocessor zelf nog een versterkingsfactor toevoegt is mij niet duidelijk. Het complete geluidscircuit tenslotte is fysiek ontkoppeld van de rest van het moederbord. Ook dit heeft tot doel om de elektromagnetische interferentie te minimaliseren.
Audioprocessor
Als audioprocessor is op het moederbord een Creative Sound Quad Core 3D geleverd. Trend in de huidige (onboard) geluidscircuits is het postprocessen van geluid. Postprocessen heeft vooral zijn nut om bij games en films geluid ruimtelijker te maken en accenten te plaatsen op geluidseffecten. De nadruk op deze postprocessing is alleen zo groot dat de kwaliteit van het geluidscircuit zelf wat ondersneeuwt. Postprocessing is vooral voor films en computergaming aantrekkelijk om het geluid vetter en ruimtelijker te maken. We moeten alleen niet vergeten dat de geluidshardware dan informatie erbij verzint. Als dit een game of filmervaring verdiept is dat prima, en luistert het minder kritisch. Als je veel muziek wilt luisteren vervormen die effecten alleen maar en kunnen ze beter uitgezet worden. Mijn ervaring is dat de geluidseffecten in games in ieder geval heel mooi zijn, zelfs met een (goede) 2.1 Speakerset.
Versterker
Als versterker is een OPAMP (Operational Amplifier) van Texas instruments ingezet.
OPA2134PA. De versterking (gain) die deze OpAMP kan realiseren ligt tussen de 104 en 120 dB.
Over de S/N-ratio van dit duo is nog niet meteen iets te zeggen. Indicatief voor een goede geluidsoplossing is de Signaal/Ruis ratio (S/N-ratio). Mijn referentiekader hiervoor is nog steeds een wat oude bron van
Hardwaresecrets waarin codecs (“geluidsoplossingen”) van wat jaren terug met elkaar werden vergeleken. Een vuistregeltje om aan te houden is dat als de (output) S/N-ratio 100dB of hoger is, we een indicatie hebben dat de moederbordfabrikant in een fatsoenlijk geluidscircuit heeft geïnvesteerd. Bij deze codec was alleen het geluidcircuit en de versterker geïntegreerd in een oplossing. Wordt de versterker ontkoppeld van het geluidscircuit, dan wordt het van belang om te weten wat voor Noise “vloerniveau” de audioprocessor produceert. Dit vloerniveau wordt namelijk door de versterker vrolijk mee versterkt. Voor de S/N ratio is de Sound Quad Core 3D processor dus alles bepalend.
Condensatoren
De audio condensatoren zijn High end Nichicon MUSE ES series
Bi-Polarized condensatoren. De dunne condensatoren hebben een capaciteit van 2,2μF bij een voltage van 50V(!). De dikke condensatoren hebben een capaciteit van 220μF bij 6,3V. Informatie over de precieze rol van de condensatoren moet ik jullie schuldig blijven. In de regel hebben condensatoren in (analoge) audio circuits de rol van AC/DC-signaalscheiding (alleen het AC signaal is interessant) of als hoog frequentie filter tegen ruis. Met wat ik aan circuits heb zien langskomen verwacht ik dat de dikke condensatoren een rol hebben in het uitgangscircuit, en dat de dunne condensatoren vooral deel uitmaken van het ingangscircuit.
Waarom nog elektrolytische condensatoren in plaats van de op de rest van het bord gangbare solid condensatoren? In deze
thread werd het volgende als antwoord gegeven:
In general, ceramic capacitors are somewhat non-linear in their frequency and voltage responses, compared to film capacitors. Another issue with ceramic capacitors is that they tend to behave as microphones, thus picking up ambient sound and modulating the voltage across them accordingly
6.14. Referentiekader

De output vanuit de onboard graphics wordt door verschillende IC’s ondersteund.
De on board graphics worden ondersteund door twee IC’s die als naam HDMI/DVI level shifter hebben meegekregen. Het eerste IC is van NXP,
PTN3360DBS. Het tweede is van Asmedia, de
AS1442K. Als ik de functionaliteit goed begrijp converteert het de PCIe output tot een DVI/HDMI conform signaal. De reden dat er twee IC’s worden gebruikt kan met de meerdere uitgangen (DVI, HDMI en Displayport) te maken hebben die bij de achterplaat van het moederbord worden aangeboden.
7. UEFI BIOS

Gigabyte maakt ook voor dit bord gebruik van een American Megatrends Bios. Inmiddels is het bord met haar F9 BIOS-versie bezig. Mijn indruk is dat Gigabyte veel inspanning verricht om de BIOS-interface te moderniseren.
Een van de aanleidingen hiervoor zijn het steeds meer gangbaar worden van het UEFI BIOS (UEFI = Unified Extensible Firmware Interface). EFI (1998) was een antwoord op beperkingen in het toenmalige BIOS om de hardware in server platforms aan te kunnen sturen (1 MB adresseerbaar geheugen in real mode, PC-AT-architectuur met 16 bits adresbus en 24 bits databus). De bestandsgrootte van het vroegere BIOS was maar 1024 KB. UEFI (EFI 1.1, 2005) is door Intel, onder toeziend oog van Microsoft doorontwikkeld uit het originele EFI en als bijdrage aangeleverd aan het
Unified EFI Forum die de specificatie door ontwikkelde tot de huidige UEFI. Inmiddels is de UEFI-specificatie in januari 2016 in versie 2.6 aangeland.
UEFI is x86 architectuur onafhankelijk, dus processor onafhankelijk, kan omgaan met harde schijven boven de 2,2 TB en is voorbereid op alle mogelijke interfaces die moeten worden opgestart ((USB, Thunderbolt, eSATA). Ook creëert UEFI een flexibele opstartomgeving voordat het OS start, met netwerk functionaliteit. Door de modulaire opzet van UEFI is het wat eenvoudiger geworden om achterwaartse compatibiliteit te ondersteunen, zodat ook met de legacy BIOS-mode vanaf een master boot record worden gestart. UEFI werkt echter ook met een GPT, een GUID partition table. GUID staat hierbij voor Globally Unique IDentifiers. Deze GPT heeft de beperkingen van de 32 bits adresseerruimte van de oude MBR op, die de 2TB limiet voor opslagvolumes veroorzaakte.
7.1. Gebruikersinterface UEFI BIOS

Indirect heeft de UEFI BIOS specificatie door de grotere opslagruimte ook meer vrijheid gegeven om de gebruikersinterface op de schop te nemen. Zelf herken ik het BIOS als een overgangs-BIOS. Het hinkt nog op meer gedachten. Het BIOS kent bijvoorbeeld een viertal modes, een Startup mode, een Classic mode, een Smart Tweak mode en een Smart Tweak HD-mode. Heeft Smart Tweak je voorkeur, dan nog kom je niet om de classic mode heen. De Smart Tweak interface dekt vooral de overklok functionaliteit van het bord af, voor veel basisfuncties moet je nog steeds terugvallen op de classic mode. Dit is jammer. Heb je verder een beeldscherm met een HD of hogere resolutie zal je niet met de Smart Tweak interface voor de lagere resolutie in aanraking komen. Effectief kan je in een opstelling maar met drie van de vier modes in aanraking komen. Nu zullen de meesten van de kopers van dergelijke moederborden niet meer op een oud scherm met kleine resolutie werken, toch kan het handig zijn als je midden in een hersteloperatie alleen maar een oud scherm voorhanden hebt. Toch goed dus dat Gigabyte hiermee rekening houdt.
De 3 interfaces hebben wel tot gevolg dat het BIOS zoveel schermen kent dat het op een onervaren gebruiker wat intimiderend kan overkomen. Maar dit bord is ook meer bedoeld voor veeleisende gebruikers waarbij de mogelijkheden van het BIOS een belangrijke reden is om een bord als dit te kopen. Ondanks de enorme hoeveelheid aan schermen loop ik de interface hieronder langs zodat ieder de eigen punten van interesse kan nalopen.
7.2. Startup mode

Om eerlijk te zijn weet ik niet goed wat ik met die Startup mode aan moet. Kopers van dit moederbord hebben helemaal geen behoefte aan het afschermen van instelmogelijkheden. De Startup mode lijkt meer te passen bij een instapbord dan bij dit exemplaar. De startup mode biedt wat beperkte en soms onduidelijke instelmogelijkheden. We lopen ze hieronder langs.
Het introductiescherm laat een negental velden zien waar vanuit instellingen voor de systeemtaal, het snel opstarten, de systeemtijd, de opstartvolgorde, de SATA-controller, veiligheidsinstellingen, opstartinstellingen en standaardinstellingen zijn aan te passen.
De eerste optie in de bovenste rij links geeft toegang tot een subscherm om de systeemtaal in te stellen. Gerieflijk hiervan is wel dat in een oogopslag alle talen zijn te zien, zonder dat daarvoor in de klassieke BIOS-interface door een scroll-menu moet worden gescrolled.
De tweede optie, midden boven geeft toegang tot een snel opstart optie. Ook hiervoor kom je voor een simpele optie (disabled, enabled, ultra fast) eerst in een subscherm terecht. De derde optie voor de systeemtijd is met een kalender en tijd interface iets meer een eigen scherm waardig.
In de middelste rij kan via de linker knop de startvolgorde worden ingesteld. De middelste optie, het instellen van de geïntegreerde SATA-controller plaatst mij voor vraagtekens. De optie om te kunnen kiezen tussen de SATA-mode (AHCI, IDE of RAID) kan ik nog wel begrijpen, zo wordt expliciet gemaakt in welke mode een massaopslag voor het OS gaat worden geconfigureerd. Hierover kan niet duidelijk genoeg worden gedaan. Maar waarom zou ik met een tweede optie de geïntegreerde SATA-controller willen uitzetten? Misschien dat dit in een later stadium zou kunnen na de installatie van een dedicated controller in een expansieslot. Bij een eerste opstart zie ik de noodzaak hiervoor niet.
De meest rechtse optie van de middelste rij biedt de mogelijkheid tot password beveiliging. Zowel een administrator password om de BIOS-setup te kunnen aanpassen en een gebruikerstoegang voor het gebruik van het systeem zijn in te stellen.
In het subscherm voor de startup-options (optie onderste rij rechts) is te bepalen in welke modus het BIOS zal opstarten als het wordt aangeroepen. Twee van de drie opties die in dit sub scherm zijn eigenlijk niet te selecteren. De startup-guide is alleen in de initiële opstartfase te gebruiken, zodra een van de andere modes als opstartinterface is in gesteld kan volgens mij niet meer worden teruggevallen op de startup-guide. Zou dan de Startup-guide weer gewenst zijn, dan is een terugval naar de standaard BIOS-instellingen nodig. Hiernaast is in de meeste gevallen de schermresolutie te hoog voor de standaard Smart Tweak mode, waardoor dit een overbodige optie is, want systeem geconfigureerd. Het scherm veroorzaakt dus wat ruis.
De middelste optie in de onderste rij heeft als enig doel om in het subscherm de standaard BIOS-instellingen weer op te halen. Waarna met de laatste optie rechtsonder de BIOS-interface kan worden afgesloten.
7.3. Classic mode

De twee echte Bios interfaces zijn de Classic mode en de Smart Tweak HD-mode. Hieronder doorloop ik eerst met jullie de Classic mode. De Classic mode is eigenlijk de vanouds bekende BIOS-interface.
De introductieschermen M.I.T. en M.I.T.\ M.I.T. Current Status en zijn rechttoe rechtaan maar geven in een oogopslag de status van de BIOS-versie, CPU en geheugen frequenties, de CPU-temperatuur en de Core en Dram voltages. M.I.T betekend trouwens Motherboard Intelligent Tweaker. In het Current status scherm zijn bovendien de timings van beide geheugenkanalen te zien. Ook is te zien in welk slot welk geheugen is geïnstalleerd.
In het M.I.T.\ M.I.T. Advanced Frequency Settings scherm zijn instellingen als de CPU base clock, de processor Graphics Clock, het CPU clock ratio, het extreme memory profile en de Memory multiplier in te stellen. Als eerste setting wordt een Performance Upgrade geboden. Standaard staat de optie op auto maar ook manueel kan er gekozen worden voor overklokprofielen tussen de 20% upgrade en 100% upgrade. Wat het begrip upgrade hierbij precies is en wat er dan hoe wordt aangepast is een tweede.
Vanuit dit scherm kan nog naar een sub scherm voor de Advanced CPU Core Settings worden gesprongen. In dit scherm is bijvoorbeeld de turbo ratio per core afzonderlijk in te stellen. En is een vermogenslimiet in te stellen die een processor bij die in zijn Turbo stand mag verbruiken. Komt het verbruik boven dat vermogen, dan wordt de frequentie verlaagd. Ook op de stroomsterkte kan een dergelijke limiet worden gezet die de frequentie verlaagd.
Het M.I.T.\ M.I.T. Advanced Memory Settings scherm geeft de mogelijkheid om het extreme memory profile aan of uit te zetten. Uit is de standaardinstelling. Net als bij de CPU zijn verschillende memory overklokprofielen in te stellen, wat is in te stellen is afhankelijk van het gebruikte geheugen. Met de memory boot mode is te kiezen voor een snelle boot (zonder memory detectie en training) of niet.
Memory timing Mode biedt drie opties: Auto, Manual en Advanced Manual. Auto laat het BIOS automatisch Rank en Channel Interleaving instellen. Bij manual worden beide kanalen op gelijke wijze manueel ingesteld, en Advanced Manual is ieder kanaal afzonderlijk in te stellen.
In het M.I.T.\ M.I.T. Advanced Memory Settings scherm is de optie Profile DDR Voltage niet instelbaar en afhankelijk van het gekozen Extreme Memory Profile (X.M.P.). De multiplier is nog wel instelbaar.
Rank en Channel Interleaving hebben beide als opties Auto, Disabled of Enabled. Beide opties verbeteren memory performance en stabiliteit. Allebei op Enabled zou je zeggen. Maar wat doet de optie Auto nu precies? Enabelen als het kan (twee slots gevuld met identiek geheugen)? Weten doe ik het niet.
Het M.I.T.\ M.I.T. Advanced Memory Settings scherm geeft verder toegang tot twee deelschermen, voor de Channel A en B Memory sub timings.
In M.I.T.\Advanced Voltage Settings zijn de mogelijkheden duidelijk groter vergeleken bij bijvoorbeeld de eenvoudige Gigabyte F2A88XM-D3H. In plaats van de paar instellingen op één scherm te verzamelen zijn de instellingen over een viertal subschermen verdeeld.
In het eerste subscherm, Advanced Power Settings Is als eerste de VRIN Load Line Calibration (LLC) in te stellen. LLC ondervangt het risico dat bij een hoge belasting van de CPU de vCore te laag wordt. Dit effect wordt Vdroop genoemd. De correcties kunnen alleen een doorslageffect hebben (vboost) dat net zo kwalijk is. De menu-opties Auto, Extreme, Medium, Low en Standard voor beide instellingen schitteren ook niet van eenduidigheid. Overclock.net biedt met
bron1 of
bron2 adviseert om deze setting op extreme te zetten. De kans op genoemd doorslageffect is bij deze instelling groot. Zelfs de Auto setting zal de neiging hebben het voltage te hoog in te stellen. Andere bronnen adviseren eerder een zo terughoudend mogelijke LLC-instelling te kiezen waarbij het systeem stabiel blijft.
Ook kunnen de voltage- en stroomlimieten voor de VRIN (de voeding die de CPU VRM aan de CPU levert) en het voltage voor de beide geheugenkanalen ingesteld worden. Wil je overklokken, dan wordt door overklok-sites geadviseerd de optie op Extreme te zetten. Belangrijk is dan wel om ook een ventilator op je VRM te richten om haar voldoende te koelen.
Tenslotte kan de gebruiker het gedrag van de Pulse Width Modulation voor de Voltage Regel Modules (VRM’s) beïnvloeden met een vijftal settings. CPU VRIN PWM Switch Rate en PWM Phase Control slaan terug op de CPU-voeding, DDR CH(A/B) PWM Switch Rate slaat terug op de voeding van het geheugen. Voor mij is het allemaal een beetje theorie moet ik bekennen. Overklok-sites raden aan om de PWM Phase Control op Extreme performance in te stellen. Net als bij de LLC wordt geadviseerd de VRM goed te koelen om te voorkomen dat het bord wordt verknald. De switch rates hebben niet een heel grote instelbandbreedte. Deze schakelfrequentie manipuleren is ook wel kritisch. Wordt de frequentie verhoogd, dan zou de VRM sneller op veranderingen in de energiebehoefte kunnen reageren. Echter, de VRM zal meer opwarmen omdat de fases kortere afkoeltijden hebben. Door dit opwarmen neemt de efficiëntie van de VRM af. Eigenlijk zijn die switch rates niet de eerste settings om mee te gaan werken bij overklokken. Een andere invalshoek kan trouwens nog wel interessant zijn. Door de frequentie wat te verlagen kan de VRM beter afkoelen, handig mocht de VRM te warm worden bij overklokken.
Ook is een limiet van de thermische beveiliging in te stellen voor zowel de PWN die de geheugenvoeding regelt (CPU VRIN PWM Thermal Protection) en voor de PWM die voor de processorvoeding zorgt (DDR CH (A/B) PWM Thermal Protection). Met 130 graden Celsius staat die naar mijn mening in de auto stand al erg hoog.
In het tweede subscherm, CPU Core Voltage Control, Alle belangrijke voltages staan in dit scherm bij elkaar. CPU Vcore, CPU VRIN, CPU RING. CPU VRIN is hierbij de input voltage van de CPU, de Vcore voedt de core en het last level cache (LLC), het Ring voltage is bedoeld voor het cachegeheugen in de CPU. The System Agent voltage (VCCSA, pre-sandy bridge term: uncore) is bedoeld voor CPU-functies die voorheen bij de Northbridge hoorden. Het graphics voltage VAXG is het voltage voor het geïntegreerde grafische circuit in de Haswell processor. Alleen van belang als de processor wordt gebruikt voor de grafische output (
Techpowerup). Veel bezitters van een game bord hebben verwacht ik een discrete grafische kaart. De I/O voltages (VCCIO, analoog en digitaal) beïnvloeden het voltage voor de IMC en hebben invloed hebben bij memory overklokken.
In de Chipset Voltage Control, het derde scherm, heeft maar twee settings waarmee de Core en I/O voltages van de Platform Controller Hub (PCH), die onder anderen de vroegere South Bridge heeft vervangen, zijn aan te passen. De meningen op het internet over de vraag of deze twee settings nut hebben zijn nogal verdeeld. Net als de Switch Rates zijn dit niet de eerste settings waar je bij het overklokken naar grijpt.
Hardwaresecrets (zijdelingse opmerking bij X99 bord review) stelt echter dat om bij Z97 de BCLK overklok zo hoog mogelijk te krijgen de PCH I/O Voltage zo laag mogelijk, tot zelfs 1.05V, moet worden ingesteld. Ook
Overklockers stelt dat om de DMI-frequentie en indirect de BLCK-frequentie te verhogen het PCH I/O Voltage zou moeten worden verlaagd. Voor het PCH Core Voltage lijkt volgens Overklockers hetzelfde te gelden. Andere bronnen (
overclocking.guide) zien weinig reden om de PCH Core Voltage aan te passen.
Zou je denken dat je met de PCH-instellingen het kleinste scherm wel hebt gehad, het vierde scherm, voor de DRAM Voltage Control, is nog kleiner, met maar één setting: DRAM Voltage (CH A/B). Merk op dat deze voeding wel een gecombineerde setting is voor beide kanalen. De default (auto) setting is voor DDR3 1.5V. Met kleine stapjes kan dit Voltage worden verhoogd om een overklok naar een hogere geheugenfrequentie meer effectief te kunnen maken (
bios-setup.org).
De volgende optie in het M.I.T.-menu is het M.I.T.\pc-health. De eerste helft van dit scherm is vooral een status scherm. Het laat de actuele waarden zien van belangrijke CPU en DRAM-voltages, de voltages van de +3.3V, +5V en +12V rails, de verschillende temperaturen en de toerentallen van de CPU-ventilatoren en alle kastventilatoren.
Scroll je in het scherm naar beneden dan zijn een alarm voor de CPU- en systeemtemperatuur en een alarm voor de beide CPU-ventilatoren en alle systeemventilatoren in te stellen. Ook zijn van alle ventilatoren de ventilatorsnelheid van de standaard Normal instelling af te halen om ze dan met een fan speed percentage relatief een andere ventilatorsnelheid te geven. Dat relatieve instellen is echt een Gigabyte dingetje. Mijn commentaar in die andere Gigabyte review blijft daarom nog ongewijzigd: “De eenheid is PWM value/°C is cryptisch. PWM value? Per graden °C? De instelrange loopt van 0.75 – 2.5 met stappen van 0.25. De waarde 0.75 suggereert minder dan het normale toerental. Ook onhandig is dat bij Normal, Silent en Full Speed de knop met de schaalverdeling uitgegrijst is en niet actualiseert bij het kiezen van deze drie instellingen.
Als laatste is er nog het M.I.T.\Miscellaneous settings subscherm. In dit scherm zijn wat willekeurige instellingen te vinden. Met de setting PCIe Slot Configuration is handmatig de PCIe generatie van de sloten in te stellen. Met de DMI Gen2 Speed (Direct Media Interface) setting is de DMI manueel op Gen 1 of gen2 in te stellen. Beide instellingen zijn ook op auto in te stellen. Blijkbaar is dat niet altijd afdoende om legacy componenten aangesloten te krijgen. De manuele ontsnappingsroute geeft in ieder geval wat extra regie.
Om de derde instelling moest ik wat glimlachen: 3DMark01 Boost. De setting klinkt wat “manipulatief”. Een of andere optimalisatie setting. Ook de Gigabyte manual zwijgt in alle toonaarden. Een setting die uitgeprobeerd moet worden
techgage. Wel heel apart dat een optimalisatie voor een test blijkbaar zo belangrijk wordt gevonden dat ze een eigen BIOS-setting krijgt. Ik heb met wat zoeken behalve het gebruiken van deze oude test geen andere redenen kunnen vinden om deze setting aan te zetten.
Het M.I.T. verlatend is behelst de System Information tab maar een enkel scherm dat informatie bevat over het type moederbord, bios identificatie en het toegangsniveau van de sessie. Enkele settings geven de gelegenheid de systeemtaal, -tijd en -datum in te stellen.
In BIOS Features is een scherm met de wat meer standaard features als boot-volgorde en -snelheid, virtualisatie, vt-d (I/O toewijzing aan Virtuele machines) en password security for BIOS Setup or System boot, wanneer een password is geset tenminste. Voor veiligheid tegen virussen is er de Execute Disable Bit, een hardware gebaseerde veiligheidsfeature van Intel. Een setting als de dynamic storage accelerator zou de performance van SSD’s optimaliseren doordat power management opties (de C-states van de processor) aangepast zouden worden zodat de latency in de communicatie verminderd.
Het Peripherals scherm regelt veel van de functies die betrekking hebben op moederbordaansluitingen. Zo kunnen de geïntegreerde GPU, de geïntegreerde LAN-controller, de PCH LAN controller en de Audio controller allemaal aan en uitgeschakeld worden.
Een setting die mijn aandacht trok was de Two Layer KVM Switch. De setting laat het moederbord beter samenwerken met serie geschakelde KVM-switches. Dat serie schakelen van switches kan nog op verschillende manieren. Een cascade manier, waarbij de uitgang van switch 1 wordt doorgekoppeld met een van de ingangen van switch 2, en de daisy chain manier waarbij de switches met een onafhankelijke daisy chain kabel worden doorgekoppeld. Waarom een setting op het moederbord nodig is me niet duidelijk geworden. KVM’s kunnen wel of niet met een eigen power supply zijn uitgevoerd. Misschien beïnvloedt dit hoe het moederbord de aansluitingen vanuit de KVM “ziet”, zeker als er twee in serie zijn geplaatst. Wie het weet mag het zeggen. (
Aten)
Verder kan Intel Rapid Start Technology de computer sneller opstarten uit sleep of hibernate mode, waarbij ook nog de sessie van de gebruiker wordt vastgehouden. Hiervoor heeft het naast een BIOS-setting ook een service in het OS nodig. De snelheid wordt bereikt door het in gebruik zijnde geheugen op te ruimen en door het aantal geheugen pagina’s te optimaliseren (lees: verminderen). Hierdoor wordt de vast te leggen informatie compacter.
Naast het (de)activeren van het grafische gedeelte van de processor is ook de grootte van het processor graphics memory allocation en het DVMT (Dynamic video memory technology) geheugen in te stellen. Nu lijkt DVMT net als de eerste setting het geheugen te alloceren. We hebben dus twee settings die hetzelfde lijken te doen. Het verschil lijkt nu te zijn dat processor graphics memory allocation het pre-gealloceerde geheugen lijkt te bepalen. Dit pre-gealloceerde geheugen is de kleine hoeveelheid geheugen die tijdens het booten va de PC beschikbaar is. Dit geheugen is als geheugen ook niet zichtbaar als RAM-geheugen, want is volledig geblokkeerd voor grafisch gebruik. Heeft een applicatie meer grafisch geheugen nodig, dan kickt de DVMT-setting in om dynamisch meer geheugen te alloceren. Is het grafisch geheugen niet meer nodig, dan wordt het ook weer afgebouwd (
Intel)
Legacy ondersteuning van het USB-protocol dekt Gigabyte af met de Legacy USB-support en de EHCI en XHCI-hand-off settings. Legacy USB-support is een setting die is bedoeld om de dinosaurus MS-DOS van USB-ondersteuning te voorzien en staat standaard aan. XHCI (eXtensible Host Controller Interface) is een host controller voor USB die de revisies USB 1.x, 2.0, and 3.x kan hosten. Ten opzichte van de EHCI host controller die maar tot USB 2.0 ondersteunt. XHCI heeft meerdere voordelen als efficiëntie, minimalisatie geheugen gebruik en is in de toekomst gemakkelijker uitbreidbaar. Met specifieke (legacy) apparatuur, bijvoorbeeld voor data acquisitie kan XHCI echter een nadeel zijn ten opzichte van EHCI.
Mogelijk om die reden bestaan nog die twee BIOS-schakelaars. De standaardinstelling op mijn moederbord was XHCI-hand-off enabled en de EHCI-hand-off disabled. De twee schakelaars regelen de mogelijkheid van het BIOS om de controle van XHCI en EHCI aan het OS over te dragen. Dit beantwoordt nog niet de vraag waarom EHCI op disabled staat en XHCI op enabled. In de standaard instelling is wel logica te herkennen. De EHCI host controller (tot USB 2.0) is wel beschikbaar maar voor een gemiddelde gebruiker vanuit het Windows OS niet relevant als die een USB3.0 host controller beschikbaar heeft (XHCI). Standaard wordt daarom alleen de regie over de XHCI host controller aan het Windows OS overgedragen.


Een viertal links geven vanuit het Pheriperals scherm toegang tot de Intel chipset Sata configuration, de Marvell Sata configuration, de Intel Smart Connect technology en de Intel chipset Ethernet Connection i217-V. Bij peripherals\SATA configuration is te zien welke apparaten op welke SATA-poort zijn aangesloten. Lager in het scherm is bij ieder van de 8 beschikbare poorten te bepalen of ze hot pluggable moet kunnen zijn (eSATA) en of er spanning op de poorten moet staan.
Bij peripherals\SATA configuration is te zien welke apparaten op welke Intel chipset SATA-poort zijn aangesloten. Bij ieder van de 5 beschikbare poorten is te bepalen of ze actief is, hot pluggable moet kunnen zijn en of ze een eSATA functie heeft. De pagina voor de Marvell controller is wat beperkter, en biedt per twee aansluitingen (vier in totaal) de mogelijkheid te schakelen tussen IDE, AHCI en RAID mode. Alleen in de AHCI mode is de hot plug optie beschikbaar. Beter is deze Marvell SATA aansluitingen pas te gebruiken als alle Intel Chipset poorten in gebruik zijn en bij het gebruik de snelste apparaten op de Intel poorten aan te sluiten.
De Smart connect technology page heeft maar een setting voor het enabelen/disabelen van de ISCT-support. Met ISCT krijgt een computer in sleep mode automatisch email en sociaal netwerk updates, en krijgt de computer de mogelijkheid om op afstand te worden geactiveerd. Vooral van dit laatste is het voorstelbaar dat dit niet altijd wenselijk is.
Vanuit de Intel chipset Ethernet Connection i217-V is de status van de ethernet connectie te zien en kan naar weer een ander subscherm worden doorgestapt voor haar configuratie […]. De aansluiting is wel op deze eerste pagina inactief te maken.
Op de pagina voor het Power management is een Power Loading feature te vinden. Met deze feature geactiveerd produceert het moederbord een dummy load als de belasting voor de voeding zo laag wordt dat ze dreigt af te schakelen.
De ErP instelling bepaalt hoeveel energie de PC mag consumeren in de shutdown staat. Is ze geactiveerd, wordt het energiegebruik geminimaliseerd. Gevolg hiervan is wel dat Power On by Keyboard en Power by Mouse en wake on LAN niet meer mogelijk zijn. Wake on alarm is een setting om de computer op een vooraf gedefinieerd tijdstip te starten. De Soft Off By Pwr Bttn setting maakt een directe uitschakelen van de computer ook mogelijk in MS-DOS bij het indrukken van de aan uit knop, een oude setting dus. De Platform Power management optie geeft, als ze actief is, toegang tot een viertal instellingen die afzonderlijk kunnen worden geactiveerd. De RC6 Render stand-by bepaalt of de integrated graphics bij inactiviteit op stand-by kan gaan, of dat het energieverbruik alleen maar wordt verminderd.
7.4. Smart Tweak HD-mode

De derde interface die het Gigabyte UEFI BIOS ons aanbiedt is de Smart Tweak HD-mode. Even los van de looks maakt deze mode gebruik van de voordelen die de grotere resoluties van de modernere beeldschermen ons bieden. Om ook maar meteen met het negatieve in huis te vallen, deze interface dekt niet alle opties af die de classic mode ons biedt. De settings en opties worden hieronder ook niet meer besproken. Waar ik nog wel naar kijk is hoe ze ons worden aangeboden.



De interface valt uiteen in twee delen. Een centraal window dat in het midden circa 60% van het beeldvlak vult. In dit centrale window staan de verschillende BIOS-schermen waartussen wordt genavigeerd. In de randen is globale informatie te vinden die als constante factor altijd zichtbaar is. Dit is inderdaad handig als dit kan voorkomen dat onnodig tussen schermen wordt gewisseld. In de bovenrand worden in eenvoudige balkdiagrammen bij toerbeurt verschillende voltages, temperaturen en ventilator snelheden getoond. Die grafische weergave voegt niet zo veel toe omdat ze absolute waarden laten zien, en kosten veel ruimte. Ruimte die goed gebruikt had kennen worden voor andere statuswaarden.


Links zijn tabellen te zien voor de CPU-status en geheugenstatus, rechts voor de systeemstatus. In deze tabellen zijn dezelfde gegevens te vinden die ook in de bovenrand zijn terug te vinden. Ondanks dat de grafieken er leuk uitzien vind ik het wat zonde van het ruimtegebruik. Gigabyte had nog meer andere informatie kunnen tonen.


Het centrale informatiescherm heeft in de bovenrand een zestal tabs, Frequency, Memory, Voltage, Miscellaneous, Home en Save & Exit. De Frequency tab valt uiteen in twee schermen, het Frequency scherm en Advanced CPU Core settings. In het Frequency scherm zijn vooral de globale settings voor de CPU en GPU te vinden. In het core settings blad worden de turbo ratio’s per core ingesteld en is de frequentie van de system agent (Uncore) te vinden. Ook is de schakelaar voor de Hyper Treading te vinden. Tja, het is een Advanced Core setting, zelf kon ik ook geen betere plek verzinnen. De plaats wringt alleen wat met de titel van de hoofd tab “Frequency”. Op zich sluit het bij elkaar vegen van frequenties beter aan bij de workflow van een overklokker, lijkt me tenminste.
De Memory tab wordt onderverdeeld in een drietal schermen; Memory, Channel A en Channel B Memory Sub timings. Kortom, alles met betrekking tot het geheugen is in deze tab terug te vinden. Maar had die System Memory Multiplier en de geheugen frequentie niet moeten worden ondergebracht bij Frequency?
De volgende tab, Voltage, bevat vier schermen; Advanced Power Settings, CPU Core Voltage Settings, Chipset Voltage Control, Memory Voltage settings. Deze tab komt eenduidig op mij over. De overall voltages, switch rates, beveiligingen en voltages van geheugen, CPU, Chipset en geheugen zijn in deze ene tab samengebracht.
De vijfde tab is de home tab. In deze tab zijn 8 schermen te vinden, Performance, Standard, Your Name 1 t/m 4, Recent en Favorites. Al deze schermen bieden de mogelijkheid om zelf settings toe te voegen. Rechts in het centrale window is een soort control panel te vinden om afhankelijk van deze aanpassingen verschillende profielen op te slaan en op te halen. Heb je de boel in het honderd geschopt, dan kan je ook de standaard opzet ophalen.


In het performancescherm zijn wat hoofdwaarden bij elkaar geplaatst (CPU Klock ration, System Memory multiplier, de Vcore, het DRAM voltage en het PCH Core. Het Standard scherm bevat wat SATA en IGP instellingen, Your Name 1 t/m 4 zijn geheel door de gebruiker in te vullen. Wordt die optie in een van die schermen aangeklikt, Dan wordt een dialoog geopend waarin de gewenste opties uit een menustructuur met een hoofdmenu, een submenu en afzonderlijke opties zijn te selecteren. Als hulp om afzonderlijke opties beter te kunnen vinden kan het vergrootglas in de extreme rechtsboven hoek van de complete Smart Tweak HD-interface worden gebruikt.
Wordt naast de integrated graphics van de APU nog een grafische kaart in de PCIe gebruikt, dan is dit bij peripherals\GFX configuration in te stellen als primaire bron (Integrated graphics, North bridge PCIe/South bridge PCIe). Bij Primary Video device wordt de grafische processor gekozen die standaard moet worden gebruikt. In de tweede optie Integrated graphics is de integrated graphics op Automatisch te zetten, uit te zetten of geforceerd aan te zetten. In dit laatste geval doet ze niets en verbruikt alleen energie. Bij gebruik van een grafische kaart zou ik deze optie uitzetten. De kans is klein dat door Crossfire de Integrated graphics van de APU iets toevoegt. De grafische kaart moet dan wel heel bescheiden zijn en schalen met de GPU van de APU.
Bij het Save en Exit scherm vond ik het handig dat bepaalde BIOS-profielen konden worden geladen en gesaved. Dit kan het testen van verschillende opties versnellen en structureren. Bij de laadoptie bestaat de mogelijkheid om een file van schijf te halen, of het laatst bekende goed werkende BIOS-profiel uit de Boot record te halen of een profiel te gebruiken dat meer dan 5 keer succesvol is gebruikt.
8. Performancemetingen

De performance meten van een moederbord is eigenlijk altijd een indirecte meting. Ik kijk hierbij vooral terug naar de gegevens verzameld bij de metingen voor de
pricewatch: Cooler Master Hyper 612 Ver. 2. In mijn setting heb ik nauwelijks met 4 Cores kunnen overklokken, omdat de gebruikte koeler hiervoor niet de meest geschikte was.
Al zegt het niet zoveel over het moederbord zelf, in eerste instantie zijn wat algemene benchmarks gedraaid, met hierbij een algemeen gebruik van het systeem. Dit is voor de lezer maar een impressie omdat iedere systeemconfiguratie uniek is en het moederbord hieruit lastig is te isoleren. Wel kan in diagnose software gekeken worden naar wat verbruikswaarden, om een beeld te krijgen wat het moederbord aan energie nodig heeft. Dit laatste ligt veel meer in de invloedssfeer van een moederbord dan de prestaties die toch vooral door de gebruikte componenten (processor, grafische kaart) wordt bepaald. Als resultaten heb ik daarom de performance tests gedraaid met een basis geklokte CPU en de grafische kaart zonder verdere overklok. Met diagnose software is de verbruiksinformatie gelogd.
Het lastige met die verbruikswaarden is dat de juistheid ervan best ter discussie staan. De diagnose software ontleent zijn verbruiksinformatie aan energy counters in de processor. Die dingen meten niet daadwerkelijk het energiegebruik zelf maar bepalen op grond van een rekenmodel het energiegebruik aan de hand van andere beschikbare informatie. Volgens dit
onderzoek zou dit binnen 10% nauwkeurigheid mogelijk moeten zijn.
Wil je op een zo zuiver mogelijke meten wat het moederbord ingaat, dan zal je de voedingskabels met een amperetang of, misschien wel mooier, een stroomtransformator moeten gaan uitlezen. Het lastige hierbij is dat de CPU-voedingssocket niet alleen de processor voedt. En ga je de hoofdvoedingsconnector ook uitlezen dan is het weer de vraag welk percentage naar de processor gaat. Theoretisch en praktisch heeft dat dus heel wat voeten in de aarde. Die diagnose software komt daarom niet uit de lucht vallen.
Bij gebrek aan beter, bedoeld als impressie, hieronder wat energieverbruikswaarden gelogd door HWinfo. Ik heb wat grafieken samen gesteld met de CPU Package Power, de IA Cores Power en Total DRAM power. Die laatste was trouwens niet zo spannend. Vraag me even niet waar de tests precies beginnen en eindigen, vertrek even uit de gedachte waar de activiteit is, is de test.

Eigenlijk wil ik hieraan ook nog wat overklok metingen aan toevoegen, met een goed ingestelde overklok. Hiermee kom ik op een wat minder leuk aspect in de review. Mijn exemplaar van dit moederbord staat inmiddels voor een derde keer stil. Het bord start niet meer op. Dit is mij nu een derde keer gebeurd met normaal gebruik als directe voorgeschiedenis. “Had je de koelblokken maar niet los moeten halen” hoor ik al mompelen. Uitsluiten kan ik natuurlijk niet dat dit relatie heeft met wat hier gebeurd, maar als ik de fout analyseer dan lijkt me dat toch niet erg waarschijnlijk. Het bord had normale temperaturen, en de blokken trokken warmte weg. Het bord komt niet tot het punt dat ze voeding krijgt zodra ze onder spanning komt. Aanzetten kan dus niet.
Ik beschouw dit als een incidenteel geval en wil het niet te veel op de review af laten stralen. Zowel mijn verkopende partij (Azerty) en ook Gigabyte hebben zonder omhaal het bord al twee keer gerepareerd teruggestuurd. Die afhandeling is tot zover correct. Het lijkt er alleen op dat de crux nog niet is gevonden. De laatste keer merkte ik trouwens wel dat nog een BIOS-update was uitgevoerd. Ben wel heel benieuwd hoe Gigabyte dat bord steeds weer aan de gang heeft gekregen. Als dat een trucje is dat ik zelf ook kan, dan hoef ik niet steeds dat bord uit te bouwen. Al wordt dat uitbouwen nu wel een routineklusje.
9. Software
Naast de Sound Blaster SBX Pro Studio suite en Qualcomm Netwerk configuratie software heeft Gigabyte veel werk verricht om haar eigen software via een App Center in een goede samenhang aan te bieden aan de gebruiker. De App center is te starten via de taakbalk of kan als TSR programma via de taakbalk beschikbaar zijn.
Vanuit dit App Center zijn een reeks Gigabyte applicaties te starten.
9.1. Smart recovery 2

Heel veel van die software is behoorlijk specifiek in gebruik. Zo kan met Smart recovery 2 een image of een back-up van een partitie worden gemaakt. Veel mensen gebruiken hiervoor andere gespecialiseerde tools, en zullen deze oplossing links laten liggen.
9.2. V-tuner

Hetzelfde geldt voor V-tuner. Hiermee is je grafische kaart te tunen, maar dit is eigenlijk alleen relevant wanneer de gebruiker een niet-Gigabyte grafische kaart heeft. Is ook de grafische kaart van Gigabyte, dan wordt een mooiere tool meegeleverd, Gigabyte OC_Guru. Mooi van V-tuner is wel dat het geïntegreerd is in de Gigabyte App Center.
9.3. @Bios
@BIOS is een tool om het BIOS vanuit Windows te updaten. Het is mooi dat het er is, maar zelf geef er toch de voorkeur aan om dit met Q-flash vanuit de BIOS-interface zelf te doen, zodat de procedure onafhankelijk is van Windows. Dit maakt het updaten minder kwetsbaar.
9.4. Cloud Station

Een onduidelijke toepassing vind ik zelf De Cloud Station. De gedachte is dat je vanuit een (Gigabyte) app via de (Gigabyte) cloud verregaande controle kan krijgen over je computer. De vraag voor mij is dan nog wel wat voor gebruikssituaties ik mij hierbij moet voorstellen. Overklokken is iets wat instabiliteit in een systeem kan veroorzaken, ook met standaard profielen. Niet iets waar je remote op zit te wachten lijkt mij. Het meer voor de hand liggende delen van data doet Cloud Station ook, maar is inmiddels allesbehalve uniek te noemen.
9.5. Autogreen

Voor diegenen die nergens gaan zonder hun Smartphone is er bijvoorbeeld Autogreen, een bluetooth optie die de computer automatisch in suspend mode laat gaan zou je telefoon buiten range van de computer raken. Ehhhmmm, alleen voor Android en iOS… Zelf ben ik WP-gebruiker. Ach…
9.6. Fast Boot

Fast Boot is een programma dat de BIOS Fast Boot of Next Boot vanuit Windows schakelbaar maakt. Dit is wel handig omdat als Fast Boot eenmaal aanstaat het benaderen van BIOS door de snelheid lastiger is. USB blocker kan voorkomen dat iedereen zomaar toegang heeft tot de USB-poorten van een systeem. Misschien een functie die meer relevant is voor een zakelijk dan voor een privé systeem. Voor de bewustwording is dit wel goed, of het daadwerkelijk virussen tegenhoudt?


EZ-Setup heeft meerdere opties maar overtuigde minder. Met de optie Disk Mode Switch zou het mogelijk moeten zijn om je diskopslag te switchen van AHCI naar RAID […]. Ik wisselde van AHCI naar RAID (niet verstandig in een bestaande installatie). En kon daarna binnen EZ-Setup niet meer terugschakelen. Systeem gereboot en in BIOS de status gecontroleerd. De Disk Mode stond nog netjes op AHCI. Dit BIOS gesaved en systeem geboot. Ook EZ-Setup gaf nu weer AHCI-mode aan. De opties EZ Smart Response en XHD zijn verder niet toegankelijk, en EZ Rapid Start herkend mijn SSD als een harddisk en negeert de ook aanwezige harddisk compleet. EZ Smart Connect is tenslotte een applicatie toegangslijst. Deze was nog niet functioneel omdat deze applicatie leunt op Intel Smart Connect, wat op mijn systeem niet is geïnstalleerd. Mijn indruk van EZ-setup is dat het nog wat bleeding edge is. Misschien ligt het aan mij, en communiceert de software niet voldoende dat het nog software mist. Voor de niet beschikbare applicaties zou het netjes zijn te melden waarom ze niet beschikbaar zijn.
De belangrijkste tools zijn tenslotte toch System Information Viewer en Easytune. Beiden hebben al een lange geschiedenis bij Gigabyte en dat is in positieve zin te merken. Zelf ben ik altijd gewend om instellingen in het BIOS zelf te veranderen, maar met het huidige UEFI BIOS zijn de mogelijkheden om met Easytune vanuit Windows parameters aan te passen wel heel krachtig geworden. Toch blijft de groep settings een subset van wat in het BIOS wordt geboden. Nu ben ik zeker geen ervaren overklokker, maar ik mis bijvoorbeeld de mogelijkheid om de CPU Clock Ratio in te stellen, terwijl de afzonderlijke turbofrequenties voor de verschillende processorkernen wel zijn in te stellen. Mogelijk wordt verwacht dat in het BIOS een uitgangspunt voor voltages en frequenties wordt gekozen en dat hierop wordt gevarieerd in Easytune.
De instellingen waaraan ik refereer bevinden zich trouwens in Easytune Advanced CPU OC. De Easytune Smart Quick Boost verdient een waarschuwing. Deze automatische tools hebben de neiging om de CPU-spanningen te hoog in te stellen, waardoor een overklok meer energie gebruikt dan nodig is. Een tweede consequentie is dat Haswell dan onnodig snel heet wordt. Haswell heeft zonder dit al de neiging om te heet te worden. Wil je goed overklokken, zoek een goede overklok site die je een stappenplan geeft hoe je stapje voor stapje je PC kunt opvoeren. Je gebruikt dan minder energie en je bereikt een verdere overklok dan de automatische tools voor je kunnen bereiken. Wel moet je dan wat tijd nemen om stapje voor stapje te bepalen waar de grens voor jouw CPU ligt.
Het ook overklokken van het geheugen, wat Easytune in Advanced DDR OC aanbiedt, of het aanpassen van de PWM-switch ratio’s zijn instellingen die pas in tweede of derde instantie aan de orde komen. Met name van de PWM-switch ratio’s stel ik mij de vraag waarom we dit in Easytune terugvinden. Deze instelling heeft maar heel beperkt – indirect - effect op je overklok.
Persoonlijk vond ik de System Information Viewer de meest nuttige applicatie van het hele stel. Iets wat veel kernachtiger is te sturen vanuit de System Information Viewer dan vanuit de BIOS zijn de ventilator toerentallen. Deze toerentallen zijn variabelen waarvan het mooi is dat ze vanuit Windows kunnen worden aangepast. Wordt op het meest linkse menuknopje gedrukt, rechtsboven in het dialoogpaneel te vinden, dan wordt de viewer vervangen door een soort page menu dat op onze breedbeeldschermen mooi aan de zijkant is open te zetten, terwijl je met andere software bezig bent.
Algemene impressie van de Gigabyte Software is dat er grote stappen zijn gezet om alle functionaliteiten in een samenhangende Suite samen te balen. Dit is positief voor de toegankelijkheid. Het verlaagd de drempel dat de software ook daadwerkelijk gebruikt zal gaan worden. De interfaces van de totaal verschillende applicaties lijken inmiddels uiterlijk veel op elkaar, een enkel onderdeel (EZ Setup) lijkt echter nog meer uitontwikkeld te moeten worden.
9.7. Killer Network Manager

De Killer Network Manager is een basic tool waarvan ik de toegevoegde waarde betwijfel. Een snelheidstest op het internet doe ik gewoon online, en dan weet ik zeker dat er geen derde partij tussen zit. Het prioriteren van applicaties kan nuttig zijn om games voorrang te geven en om bijvoorbeeld torrents naar de achtergrond te duwen. Systeem prestatie en netwerkinstellingen zijn ook uit de Task manager en de Windows Resource Monitor af te leiden.
9.8. Sound Blaster Recon3D Control Panel

Het Control Panel voor de geluidsoplossing van Sound Blaster maakt een heel verzorgde indruk. Er zijn wel veel schermen nodig voor de geboden instellingen.
10. Conclusie

Was de Gaming G1 voor velen in 2015 “een tikje” te duur, mogelijk is het bord nu als uitloopmodel nog ergens voor een zachter prijsje op de kop te tikken. Heb je niet veel snelle uitbreidingen nodig, sla je M2 over om direct een PCIe SSD te gebruiken, en wil je dit doen in combinatie met een al in het bezit zijnde Haswell processor in samenspel met een enkele GPU (ik noem maar een scenario) dan kan dit bord nog een interessant platform zijn.
Z97, z170 en z270 blijven een meer betaalbaar alternatief ten opzichte van de Intel X99 chipset oplossingen. Heeft de Z97 chipset maar 8 PCIe lanes die ook nog van de PCIe 2.0 standaard zijn, het gemis van DDR4 is op dit moment nog wel te relativeren. Software moet van goede huize komen wil het de Quad channel DDR4 benutten. Gevoeliger is dat dit bord is bedoeld voor Haswell of Broadwell (LGA1150 socket), en niet voor Skylake/Kaby Lake (LGA 1151 socket). Koop je nu iets nieuws, ga dan voor een Zx170 oplossing. De nieuwe Intel processoren bieden alleen maar voordelen.
Op dit bord wordt naast het Creative 3D Audio geluid en de Intel + Qualcomm netwerkpoorten veel aandacht besteed aan de voeding van alle functionaliteit. Met name op dit aspect onderscheidt dit bord zich van minder dure oplossingen. De vraag kan wel gesteld worden of de voeding voor het Haswell/Broadwell platform de bottleneck zal zijn, of dat de uitdaging om deze processoren koel te houden niet groter is, en eerder een probleem vormt.
Als toegift nog een vergelijking van de vier meest recente Intel performance chipsets. Zo kunnen jullie zelf zien dat het meer over evolutie dan revolutie gaat.
En nog even dit: voor zover de conclusie door tweakers zelf al niet wordt getrokken, wat mij betreft hoeft deze review niet in een tweakers maandoverzicht langs te komen. Het onderwerp is nauwelijks nog actueel, maar vooral, de review is te lang om als een voorbeeld voor startende reviewers te dienen. Zelf maak ik graag dit soort lange reviews, maar zou mij bezwaard voelen wanneer anderen zich gedwongen gaan voelen de lengte ervan te evenaren. Het leuke aan gebruikers reviews is nu juist dat gebruikers zo hun eigen invalshoek kunnen hebben om naar een product te kijken. Zelf ben ik beducht voor een kwaliteitsnorm die een mores doet ontstaan die de unieke spontaniteit van onze site kan gaan ondermijnen. Laten we alsjeblieft voorzichtig zijn met het stellen van normen en criteria.